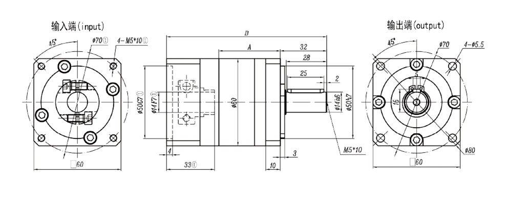
PLF 60 产品结构图介绍
PLF 60 b.webp
普尔菲特传动设备盐城限公司
友情链接: Copyright©2023 盐城市金洲机械制造有限公司 版权所有 苏ICP备2023025203号-1   网站地图
0515-8868 8806
联系我们
  • 金洲
提交
提交成功
确定
0